For full functionality of this site it is necessary to enable JavaScript.
EMINKH.COM
0
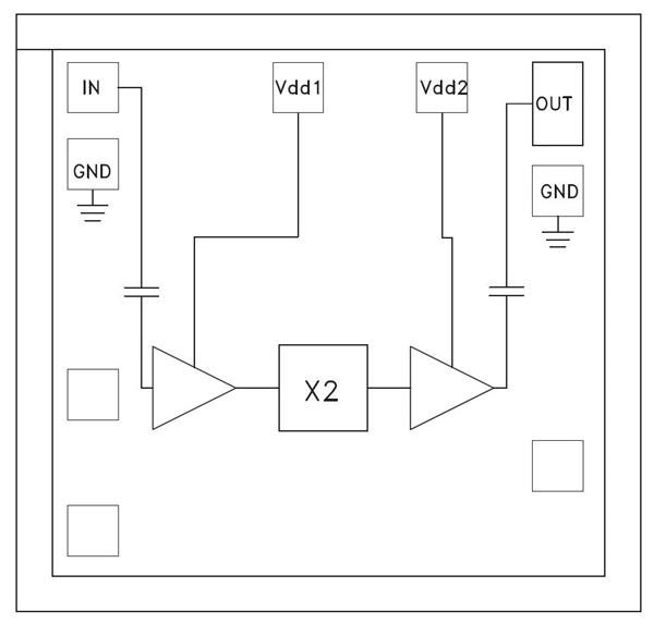
Analog Devices HMC578-SX Multiplier GaAs PHEMT MMIC ADA, 24 - 33 GHz Output | EMINKH.COM