For full functionality of this site it is necessary to enable JavaScript.
EMINKH.COM
0
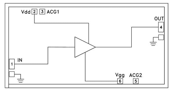
Analog Devices HMC460-SX Low Noise Amplifiers amp, lo Noise, DC-20 GHz | EMINKH.COM