For full functionality of this site it is necessary to enable JavaScript.
EMINKH.COM
0
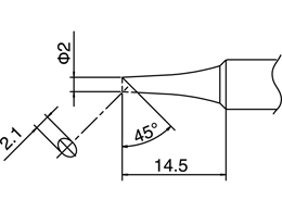
HAKKO T18-C2 Soldering Tip | EMINKH.COM