For full functionality of this site it is necessary to enable JavaScript.
EMINKH.COM
0
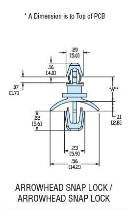
Heyco 10139 PCB Support HLSP7-12 NATURAL NYL PCB Support | EMINKH.COM