For full functionality of this site it is necessary to enable JavaScript.
EMINKH.COM
0
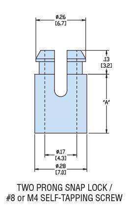
Heyco 10649 Force Fit HSRS8-04 NATURAL NYL PCB Support | EMINKH.COM