For full functionality of this site it is necessary to enable JavaScript.
EMINKH.COM
0
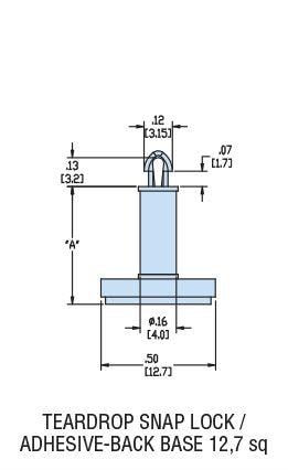
Heyco 10803 PCB Support HCBS4-03-AB NATURAL NYL PCB Support ADH | EMINKH.COM