For full functionality of this site it is necessary to enable JavaScript.
EMINKH.COM
0
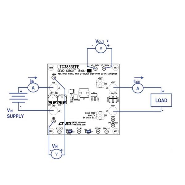
Analog Devices DC1516A-B Voltage Regulator - Switching Regulator LTC3833EFE Demo Board ? ? VIN = 4.5V to | EMINKH.COM