For full functionality of this site it is necessary to enable JavaScript.
EMINKH.COM
0
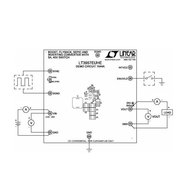
Analog Devices DC1544A Voltage Regulator - Switching Regulator LT3957EUHE Boost Demo Board - 4.5V = Vin | EMINKH.COM