For full functionality of this site it is necessary to enable JavaScript.
EMINKH.COM
0
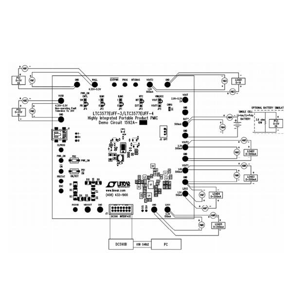
Analog Devices DC1592A-B Power Management Specialized LTC3577EUFF-4 Demo Board - Highly Integr | EMINKH.COM