For full functionality of this site it is necessary to enable JavaScript.
EMINKH.COM
0
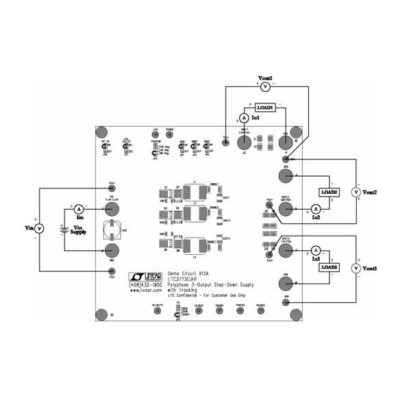
Analog Devices DC913A Voltage Regulator - Switching Regulator LTC3773EUHF Demo Board | EMINKH.COM