For full functionality of this site it is necessary to enable JavaScript.
EMINKH.COM
0
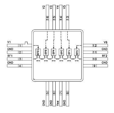
Analog Devices HMC424AG16 Digital Attenuator 5 dB LSB 6-Bit Digital Attenuator SMT | EMINKH.COM