For full functionality of this site it is necessary to enable JavaScript.
EMINKH.COM
0
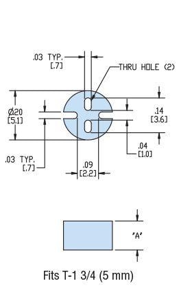
Heyco 11000 LED Spacers HLEDM-1-03M BLACK PVC/NYL LED Spacer | EMINKH.COM