Get exclusive volume discounts, bulk pricing updates, and new product alerts delivered directly to your inbox.
By subscribing, you agree to our Terms of Service and Privacy Policy.
Direct access to our certified experts
Get exclusive volume discounts, bulk pricing updates, and new product alerts delivered directly to your inbox.
By subscribing, you agree to our Terms of Service and Privacy Policy.
Direct access to our certified experts
Application: Flow measurement
Process Medium:
Polymers, adhesives, silicone
Abrasive, less lubricating
Medium/high viscosity
Attributes:
Stainless steel body
Tungsten carbide sleeve bearing
Bigger tolerances
Technical Data – Sizes
Measuring Range (l/min): 1 to 100
K-Factor (pulses/l): 800
Max. Pressure (bar/psi): 250 [3,600]
Frequency (Hz): 14 to 1,450
Weight (kg): 15
Technical Data – General
Measuring Accuracy: Default: ±0.5 %; Premium: ±0.25 % 4)
Repeatability: ±0.05 % (under the same conditions)
Materials
Housing: as per DIN 1.4305 [AISI 303]
Gears: as per DIN 1.4122
Bearing: sleeve bearing
Thread: BSPP
Sensor Ports: M14x1.5
Seals: FKM
Medium Temperature: -40 °C up to +180 °C [-40 °F up to +356 °F] (others on request)
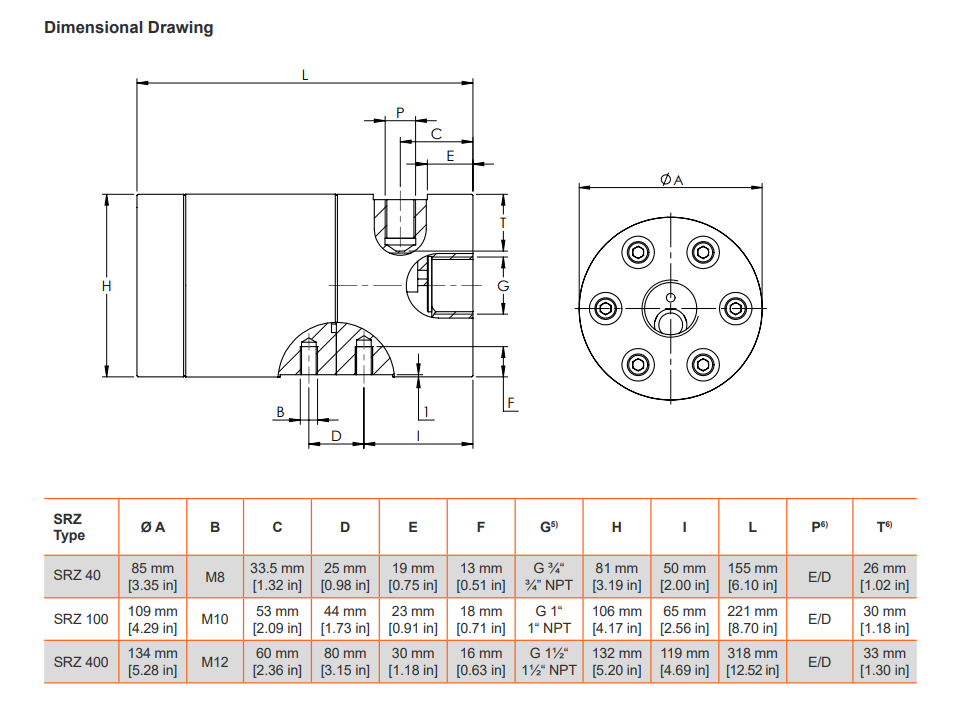
Dimensions: See dimensional drawing (In details)
See datasheet for choosing suitable configurations!